| Sign In | Join Free | My ecer.com.ru |
|
Brand Name : TOBO
Model Number : Weld-neck Flange
Certification : SGS/BV/ABS/LR/TUV/DNV/BIS/API/PED
Place of Origin : China
MOQ : 1pcs
Price : Depending on quantity
Payment Terms : T/T, L/C, Western Union
Supply Ability : 50000 pcs per month
Delivery Time : 15-30 working days depending on quantity
Packaging Details : Standard export sea-worthy packing
Type : WN Forged Flange
Material : Alloy Steel
Standard : ANSI,JIS,DIN,BS4504,SABS1123,EN1092-1, UNI,AS2129,GOST-12820
Pressure : ANSI class 150,300,600,1500,2500, DIN PN6,PN10,PN16,PN25,PN40,PN64,PN100,PN160
Size : 1/2-78 inch (DN15-DN2000)
Surface Treatment : Anti-rust Oil, Transparent/Yellow/Black Anti-rust Paint,Zinc,Hot dipped Galvanized.
Usage : Oil Field, Offshore, Water System, Shipbuilding, Natural Gas, Electric Power, Pipe Projects etc.
Packing : Wooden Case
Connection : Welding
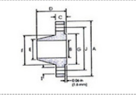
Weld Neck Flanges are a very common type of pipe flanges used in various industrial applications. They have a long tapered hub and are often used for high pressure applications.
We are a fast growing organization, engaged in manufacturing, supply and export of welding neck flanges, industrial weld neck flanges and forged flanges. Our weld neck flanges are drilled with the wall thickness of flange having the same dimensions of pipe. Flanges for heavier pipes have smaller bore, while flanges of lighter pipes have larger bore. These weld neck flanges, industrial weld neck flanges, forged flanges are normally used for high-pressure, cold or hot temperature.

Flange is also called Flange or Flange plate.A flange is a part that connects a pipe to a pipe and is attached to the end of the pipe.Flange connection or flange joint refers to the detachable connection which is connected by flange, gasket and bolt as a group of assembled sealing structure. Pipe flange refers to the flange with pipe in the pipeline device, and refers to the import and export flange of the equipment when used in the equipment.There are holes in the flange and bolts hold the two flanges together.Gasket seals between flanges.Flanges threaded connection (threaded connection) flanges and welded flanges and clip flanges.Flange material
According to the production of material can be divided into: WCB (carbon steel), LCB (low temperature carbon steel), LC3 (3.5% nickel steel), WC5 (1.25% 0.5% chrome molybdenum steel), WC9 chromium (2.25%), C5 (% 5% chromium molybdenum), C12 (9% 1% chromium molybdenum), CA6NM (4 (12% chromium steel), CA15 (4) (12% chromium), CF8M(316 stainless steel), CF8C(347 stainless steel), CF8(304 stainless steel), CF3(304L stainless steel), CF3M(316L stainless steel), CN7M(alloy steel), M35-1(Monel), N7M(Hastert nickel alloy B), CW6M(Hastert nickel alloy C), CY40(because ofNickel alloy)
| Test | Chemical Component Analysis, Mechanical Properties, Metallurgical Analysis, Impact Testing, Hardness testing , Ferrite Testing, Intergranular corrosion testing, X-ray Inspection (RT), PMI, PT, UT, HIC & SSC test, etc. or as your requirement |
| Brand | TOBO |
| Certificates | API, ISO, SGS, BV, CE, PED, KOC, CCRC, PDO, CH2M HILL and etc. |
| Advantages | 1. Abundant stock and prompt delivery 2. Reasonable for whole packages and processes. 3. 15 years' QC team service & sales management API& ASTM trained engineers. 4. More than 150 customers spread worldwide. |
| MOQ | 1pcs |
| Delivery time | 10-100 days depending on quantity |
| Payment terms | T/T or Western Union or LC |
| Shipment | FCA Tianjin/Shanghai, CFR, CIF, etc |
| Application | Petroleum/Power/Chemical/Construction/Gas/Metallurgy/Shipbuilding etc |
| Remarks | Other materials and drawings are available. |
N08800 is mainly used in applications with temperatures up to 1100 ° f. 800H and 800ht alloys are usually used at temperatures above 1100 ° f , where creep and cracking resistance is required. Chemical equilibrium makes nickel steel alloy show excellent resistance to carburizing, oxidation and nitriding atmosphere. 800ht will not become brittle even after long-term use in the range of 1200-1600 ° F, and many stainless steels will become brittle. 800ht exhibits excellent cold forming properties that are usually associated with Ni Cr Alloys. When cold forming, the grain size produces a surface with obvious fluctuation, which is called "orange peel". 800ht can be welded by the technology commonly used in stainless steel

FAQ
A: We are factory.
A: Generally it is 5-10 days if the goods are in stock. or it is 15-20 days if the goods are not in stock, it is according to quantity.
A: Yes, we could offer the sample for free charge but do not pay the cost of freight.
A: Payment<=10000USD, 100% in advance. Payment>=10000USD, 50% T/T in advance ,balance before shippment.
|
|
Best Sales Weld Neck Flange Nickel Alloy Metal Flange ASTM/UNS N08800 4" 150# B564 Images |